Мы используем cookie для наилучшего представления нашего сайта. Подробнее об этом в Политике конфиденциальности.
Ок

Камышин

Ваш город:
Камышин (Волгоградская область)?
Нет
Да
Каталог
Каталог Написать в WhatsApp
Мотоэкипировка

Картер МОТОЦИКЛА BENDA DARKFLAG 500

Оригинальные запчасти

Артикул НАИМЕНОВАНИЕ Кол-во деталей в узле Примечание Наличие Цена Аналоги Фото
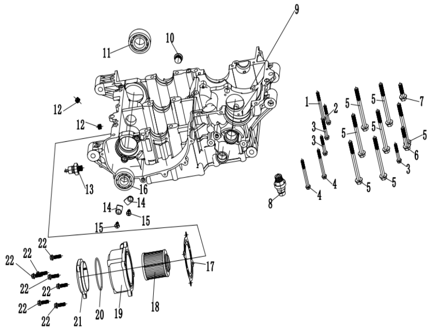
1 05787.060653.0DK Болт,фланец,6×65-12,9

Под заказ

1

Под заказ

уточнить

Купить
2 05787.060402.0DK Болт,фланец,6×40-10,9

Под заказ

1

Под заказ

уточнить

Купить
3 05787.060650.0DW Болт,фланец,6×65

Под заказ

2

Под заказ

уточнить

Купить
4 05787.060400.0DW Болты с шестигранной головкой gb/t5787 m6×40

Под заказ

3

Под заказ

уточнить

Купить
5 05787.080953.0DW Болт,фланец,8×95

Под заказ

7

Под заказ

уточнить

Купить
6 05787.080452.0DW Болт,фланец,8×45

Под заказ

1

Под заказ

уточнить

Купить
7 05787.080320.0DW Болт,фланец,8×30

Под заказ

1

Под заказ

уточнить

Купить
8 26700.112200 Клапан,масляный

Под заказ

1

Под заказ

уточнить

Купить
9 453V0.112001 Картер

Под заказ

1

Под заказ

уточнить

Купить
10 26700.122012 Пробка,16×1,5

Под заказ

1

Под заказ

уточнить

Купить
11 00276.620501 Подшипник,шариковый,6205

Под заказ

1

Под заказ

уточнить

Купить
12 04446.000002 Заглушка,rc 1/8

Под заказ

2

Под заказ

уточнить

Купить
13 46700.111010 Датчик давления масла

Под заказ

1

Под заказ

уточнить

Купить
14 258V0.111102 Пластина,подшипник

Под заказ

2

Под заказ

уточнить

Купить
15 00819.060801 Винт,попотупающий,6×8

Под заказ

2

Под заказ

уточнить

Купить
16 00276.620401 Подшипник,шариковый,6204

Под заказ

1

Под заказ

уточнить

Купить
17 46700.111232 Прокладка,чиллер

Под заказ

1

Под заказ

уточнить

Купить
18 46700.111020 Фильтр масляный BENDA LFC700 / Dark Flag 500

В наличии

1

В наличии

990

1 340

Купить
19 46700.111231 Корпус,охладитель

Под заказ

1

Под заказ

уточнить

Купить
20 46700.111234 Кольцо резиновое маслян. фильтра BENDA LFC700 / Dark Flag 500

В наличии

1

В наличии

150

250

Купить
21 46700.111233 Крышка,масляный фильтр

Под заказ

1

Под заказ

уточнить

Купить
22 05787.060200.0DW Болт,фланец,6×20

Под заказ

7

Под заказ

уточнить

Купить

Нулевая цена не означает отсутствие товара. Оформите заказ, и менеджер сообщит вам цену и наличие товара, предварительно запросив их у поставщика

Главная Магазины
Корзина0
Профиль